Kluczowe wnioski:
- Różnicówka chroni przed porażeniem prądem i pożarami.
- Bezpieczeństwo instalacji elektrycznej wymaga wyłączenia zasilania przed pracą.
- Wybór odpowiedniego miejsca montażu różnicówki jest kluczowy dla jej efektywności.
- Najczęstsze błędy to niewłaściwe podłączenie przewodów oraz brak testów po instalacji.
- W przypadku problemów z działaniem różnicówki, należy natychmiast przeprowadzić testy i diagnostykę.
- W trudnych przypadkach zaleca się skorzystanie z usług profesjonalnego elektryka.
Jak prawidłowo podłączyć różnicówkę w bloku, aby zapewnić bezpieczeństwo
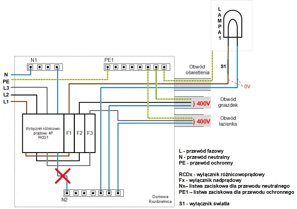
Podłączenie różnicówki w bloku jest kluczowym elementem zapewniającym bezpieczeństwo w instalacjach elektrycznych. Poprawne wykonanie tej operacji wymaga dokładnego przestrzegania zasad bezpieczeństwa oraz stosowania się do określonych schematów instalacji. Przed przystąpieniem do pracy, należy zawsze wyłączyć zasilanie, aby uniknąć ryzyka porażenia prądem. Różnicówka powinna być zamontowana w odpowiednim miejscu, co zapewnia jej efektywne działanie i łatwy dostęp w razie potrzeby.
Ważne jest, aby przy podłączaniu różnicówki przestrzegać wszystkich wytycznych i norm, które obowiązują w danej instalacji. Należy pamiętać, że różnicówka nie działa jako samodzielny element, lecz w połączeniu z innymi zabezpieczeniami nadprądowymi. W przypadku instalacji jednofazowej, do różnicówki podłączamy przewód fazowy oraz neutralny, a w instalacji trójfazowej wszystkie trzy fazy. Odpowiednie uziemienie jest niezbędne, aby różnicówka mogła skutecznie odprowadzać prąd upływu w razie uszkodzenia izolacji.
Krok po kroku: Instalacja różnicówki w bloku
Instalacja różnicówki wymaga kilku kluczowych kroków, które należy wykonać w odpowiedniej kolejności. Po pierwsze, upewnij się, że zasilanie jest wyłączone. Następnie, zamontuj różnicówkę na szynie DIN w panelu rozdzielczym, dbając o to, aby była stabilnie osadzona. W przypadku instalacji jednofazowej, podłącz przewód fazowy (L) oraz neutralny (N) do wejścia różnicówki. W instalacji trójfazowej podłącz wszystkie trzy fazy (L1, L2, L3) oraz przewód neutralny (N).
Kolejnym krokiem jest podłączenie przewodu ochronnego (PE), który powinien być podłączony za pomocą listwy zaciskowej. Upewnij się, że przewód ochronny nie jest rozłączany w żadnym gniazdku za różnicówką. Po zakończeniu podłączenia, sprawdź, czy wszystkie przewody są prawidłowo podłączone i nie ma żadnych luzów. Na końcu, włącz zasilanie i przetestuj działanie różnicówki, aby upewnić się, że wszystko działa prawidłowo.
- Wyłącz zasilanie przed rozpoczęciem instalacji.
- Zamontuj różnicówkę na szynie DIN w panelu rozdzielczym.
- Podłącz przewody fazowe oraz neutralne zgodnie z instrukcją.
Wybór odpowiedniego miejsca na montaż różnicówki
Wybór odpowiedniego miejsca na montaż różnicówki jest kluczowy dla zapewnienia jej efektywności oraz bezpieczeństwa. Należy upewnić się, że miejsce to jest łatwo dostępne, co ułatwi przyszłe kontrole oraz ewentualne naprawy. Różnicówka powinna być zainstalowana w panelu rozdzielczym, w którym nie ma zatorów ani przeszkód, które mogłyby utrudnić dostęp. Dobrze jest także unikać miejsc narażonych na wilgoć lub wysokie temperatury, ponieważ mogą one wpłynąć na działanie urządzenia.Bezpieczeństwo to kolejny ważny aspekt, który należy wziąć pod uwagę. Różnicówka powinna być umieszczona w miejscu, gdzie nie ma ryzyka przypadkowego uszkodzenia. Należy unikać montażu w pobliżu źródeł wibracji, takich jak urządzenia mechaniczne, które mogą wpłynąć na stabilność instalacji. Dodatkowo, warto upewnić się, że miejsce montażu jest dobrze oświetlone, co ułatwi pracę podczas instalacji i konserwacji.
Kluczowe zasady bezpieczeństwa przy podłączeniu różnicówki
Podczas podłączania różnicówki niezwykle istotne jest przestrzeganie kluczowych zasad bezpieczeństwa. Przede wszystkim, zawsze należy wyłączyć zasilanie przed rozpoczęciem jakichkolwiek prac elektrycznych. To podstawowy krok, który minimalizuje ryzyko porażenia prądem. Dodatkowo, warto korzystać z odpowiednich narzędzi i materiałów, aby zapewnić prawidłowe połączenia oraz uniknąć potencjalnych zagrożeń.
Ważne jest również, aby różnicówka była zainstalowana zgodnie z obowiązującymi normami i przepisami. Należy zwrócić uwagę na oznaczenia i instrukcje producenta, które mogą zawierać istotne informacje dotyczące instalacji. Prawidłowe uziemienie jest kluczowe dla skutecznego działania różnicówki, ponieważ pozwala bezpiecznie odprowadzić prąd upływu w przypadku uszkodzenia izolacji. W przypadku wątpliwości zawsze warto skonsultować się z wykwalifikowanym elektrykiem, aby zapewnić bezpieczeństwo i zgodność z normami.
Dlaczego ważne jest wyłączenie zasilania przed pracą?
Wyłączenie zasilania przed przystąpieniem do jakichkolwiek prac elektrycznych, takich jak podłączenie różnicówki, jest kluczowym krokiem w zapewnieniu bezpieczeństwa. Pracując z energią elektryczną, narażamy się na poważne ryzyko porażenia prądem, co może prowadzić do poważnych obrażeń lub nawet śmierci. Wyłączenie zasilania eliminuje to ryzyko, dając pewność, że nie będziemy mieli kontaktu z prądem podczas instalacji czy naprawy. Dodatkowo, praca przy wyłączonym zasilaniu pozwala na dokładniejsze i spokojniejsze wykonanie wszelkich czynności, co zmniejsza szansę na popełnienie błędów.
Oprócz unikania ryzyka, wyłączenie zasilania jest również zgodne z zasadami bezpieczeństwa elektrycznego, które nakładają obowiązek zabezpieczenia miejsca pracy. Przed rozpoczęciem jakiejkolwiek instalacji, zawsze warto upewnić się, że zasilanie zostało wyłączone w całym obwodzie, a nie tylko w danym gniazdku. Użycie odpowiednich oznaczeń i blokad na panelu rozdzielczym może dodatkowo zwiększyć bezpieczeństwo, zapobiegając przypadkowemu włączeniu prądu przez inne osoby, które mogą nie być świadome prowadzonych prac.
Jakie narzędzia i materiały są niezbędne do instalacji?
Aby prawidłowo podłączyć różnicówkę, potrzebne będą odpowiednie narzędzia oraz materiały. Do podstawowych narzędzi należy śrubokręt (najlepiej z wymiennymi końcówkami), który pozwoli na łatwe dokręcenie przewodów do zacisków różnicówki. Dodatkowo, przyda się multimetr do pomiaru napięcia oraz tester napięcia, aby upewnić się, że zasilanie jest wyłączone przed rozpoczęciem pracy. Warto również mieć pod ręką nożyczki do kabli oraz kombinerki do obcinania i wyginania przewodów.
Oprócz narzędzi, niezbędne będą także odpowiednie materiały, takie jak przewody elektryczne w odpowiednich kolorach (brązowy dla fazy, niebieski dla neutralnego, zielono-żółty dla ochronnego) oraz listwy zaciskowe do podłączenia przewodów. W przypadku instalacji różnicówki, warto zainwestować w urządzenia renomowanych marek, takich jak Schneider Electric czy Legrand, które oferują wysoką jakość i niezawodność. Użycie odpowiednich materiałów i narzędzi jest kluczowe dla zapewnienia bezpieczeństwa i skuteczności instalacji.
| Narzędzie/Materiały | Opis |
| Śrubokręt | Do dokręcania przewodów w zaciskach różnicówki. |
| Multimetr | Do pomiaru napięcia i sprawdzania obwodów. |
| Tester napięcia | Do upewnienia się, że zasilanie jest wyłączone. |
| Przewody elektryczne | Brązowy (L), niebieski (N), zielono-żółty (PE). |
| Listwy zaciskowe | Do podłączenia przewodów ochronnych. |
Typowe błędy przy podłączaniu różnicówki i jak ich unikać
Podczas podłączania różnicówki w bloku łatwo popełnić błędy, które mogą prowadzić do poważnych konsekwencji. Jednym z najczęstszych błędów jest niewłaściwe podłączenie przewodów. Często zdarza się, że przewód fazowy i neutralny są zamieniane miejscami, co może skutkować niewłaściwym działaniem urządzenia. Innym powszechnym błędem jest zbyt luźne podłączenie przewodów, co może prowadzić do ich przegrzania lub nawet pożaru. Warto również pamiętać o tym, aby nie pomijać podłączenia przewodu ochronnego, co jest kluczowe dla zapewnienia bezpieczeństwa.
Kolejnym istotnym błędem jest brak odpowiedniego uziemienia. Niewłaściwe uziemienie różnicówki może prowadzić do jej nieskuteczności w przypadku awarii. Warto także zwrócić uwagę na to, aby różnicówka była zainstalowana w odpowiednim miejscu, gdzie jest łatwy dostęp do panelu rozdzielczego. Zbyt ciasne lub nieodpowiednie umiejscowienie może utrudnić przyszłe prace konserwacyjne. Aby uniknąć tych błędów, zawsze warto postępować zgodnie z instrukcjami producenta oraz zasięgnąć porady specjalisty, jeśli nie jesteśmy pewni swoich umiejętności.
Jakie są najczęstsze błędy podczas instalacji?
Wśród najczęstszych błędów podczas instalacji różnicówki można wymienić kilka kluczowych kwestii. Po pierwsze, niewłaściwe podłączenie przewodów fazowego i neutralnego, co może prowadzić do nieprawidłowego działania urządzenia. Po drugie, pomijanie podłączenia przewodu ochronnego, co znacznie zwiększa ryzyko porażenia prądem. Kolejnym błędem jest zbyt luźne lub zbyt mocne dokręcenie przewodów, co może skutkować ich uszkodzeniem lub przegrzaniem. Na koniec, brak odpowiedniego uziemienia różnicówki również jest częstym błędem, który może prowadzić do jej nieskuteczności w sytuacjach awaryjnych.
Jak rozpoznać nieprawidłowe podłączenie różnicówki?
Rozpoznanie nieprawidłowego podłączenia różnicówki jest kluczowe dla zapewnienia bezpieczeństwa w instalacji elektrycznej. Jednym z pierwszych objawów błędnego montażu może być brak reakcji urządzenia na testy, co oznacza, że różnicówka nie działa prawidłowo. Innym sygnałem jest przegrzewanie się przewodów, co może prowadzić do ich uszkodzenia lub pożaru. W przypadku, gdy różnicówka często się wyłącza, może to wskazywać na niewłaściwe podłączenie przewodów lub ich uszkodzenie. Dodatkowo, jeśli w instalacji słychać niepokojące dźwięki, takie jak trzaski lub brzęczenie, warto natychmiast sprawdzić, czy wszystko jest podłączone prawidłowo.

Jak przeprowadzić test działania różnicówki po instalacji
Aby upewnić się, że różnicówka działa prawidłowo, należy przeprowadzić odpowiednie testy po jej zainstalowaniu. Pierwszym krokiem jest użycie testera różnicówki, który pozwala na sprawdzenie, czy urządzenie reaguje na przepływ prądu. Wystarczy nacisnąć przycisk testowy na różnicówce, a urządzenie powinno natychmiast odłączyć zasilanie. Jeśli tak się nie stanie, może to oznaczać, że różnicówka jest uszkodzona lub źle podłączona. Ważne jest, aby przeprowadzać ten test regularnie, aby zapewnić, że urządzenie działa poprawnie i chroni przed porażeniem prądem.
Innym sposobem na sprawdzenie działania różnicówki jest pomiar napięcia przy użyciu multimetru. Należy zmierzyć napięcie na wyjściu różnicówki, aby upewnić się, że jest zgodne z normami. Jeśli napięcie jest zbyt niskie lub zbyt wysokie, może to wskazywać na problem z instalacją. Regularne testowanie różnicówki i monitorowanie jej działania pozwala na wczesne wykrycie potencjalnych usterek, co jest kluczowe dla bezpieczeństwa użytkowników.
Jak zintegrować różnicówkę z systemem inteligentnego domu
W dobie rosnącej popularności inteligentnych systemów domowych, integracja różnicówki z takim systemem może znacząco zwiększyć bezpieczeństwo oraz komfort użytkowania. Warto rozważyć zastosowanie różnicówki z funkcją monitorowania, która pozwala na zdalne śledzenie stanu instalacji elektrycznej. Dzięki aplikacjom mobilnym użytkownik może na bieżąco otrzymywać powiadomienia o nieprawidłowościach, takich jak przeciążenie obwodu czy wyłączenie zasilania, co pozwala na szybką reakcję i minimalizację ryzyka uszkodzenia sprzętu lub zagrożenia pożarowego.
W przyszłości możemy spodziewać się jeszcze większej integracji różnicówek z systemami zarządzania energią w domach. Dzięki zastosowaniu czujników i automatyzacji, różnicówki będą mogły nie tylko monitorować stan instalacji, ale także dostosowywać zużycie energii w zależności od potrzeb użytkowników. Taki system nie tylko zwiększy bezpieczeństwo, ale także przyczyni się do oszczędności energii i obniżenia rachunków, co czyni go atrakcyjną opcją dla nowoczesnych domów. Warto zainwestować w rozwiązania, które łączą bezpieczeństwo z nowoczesnością, aby w pełni wykorzystać potencjał inteligentnego domu.
