Czy piorun może uderzyć w blok? Poznaj ryzyko i ochronę budynku
Czy piorun może uderzyć w blok? Dowiedz się o ryzyku, skutkach i najlepszych metodach ochrony budynku przed uderzeniami pioruna.
Bloki mieszkalne to temat pełen fascynujących historii i praktycznych informacji, które mogą pomóc zarówno przyszłym mieszkańcom, jak i inwestorom. W tej kategorii znajdziesz artykuły dotyczące różnych aspektów życia w blokach, takich jak zarządzanie nieruchomościami, trendy w architekturze, a także porady dotyczące wynajmu i zakupu mieszkań. Nasze teksty są pisane z myślą o Tobie – chcemy, abyś czuł się komfortowo i pewnie w świecie nieruchomości. Z nami dowiesz się, jak wybrać idealne miejsce do życia, jakie są korzyści z mieszkania w bloku oraz jakie wyzwania mogą się z tym wiązać. Zapraszamy do lektury i odkrywania z nami wszystkiego, co warto wiedzieć o blokach mieszkalnych!
Czy piorun może uderzyć w blok? Dowiedz się o ryzyku, skutkach i najlepszych metodach ochrony budynku przed uderzeniami pioruna.
Wybierz najlepszy piecyk gazowy do mieszkania w bloku. Sprawdź opinie, porównania modeli i oszczędzaj na kosztach ogrzewania.
Sprawdź, czy można odliczyć od podatku wymianę okien w bloku. Poznaj zasady i dostępne ulgi dla mieszkańców budynków wielorodzinnych.
Dowiedz się, do której można wiercić w bloku, aby uniknąć problemów. Sprawdź zasady i godziny prac remontowych w Twojej wspólnocie mieszkaniowej.
Skuteczne metody na to, co zrobić z uciążliwym sąsiadem w bloku. Dowiedz się, jak rozwiązać problemy z hałasem i zakłóceniami w sąsiedztwie.
Skutecznie pozbądź się karaluchów w bloku. Sprawdź, co na karaluchy w bloku pomoże oraz jak zapobiegać ich inwazji w przyszłości.
Szukasz idealnego zwierzątka dla dziecka w bloku? Sprawdź, jakie małe zwierzątka będą najlepszymi towarzyszami dla maluchów w małym mieszkaniu.
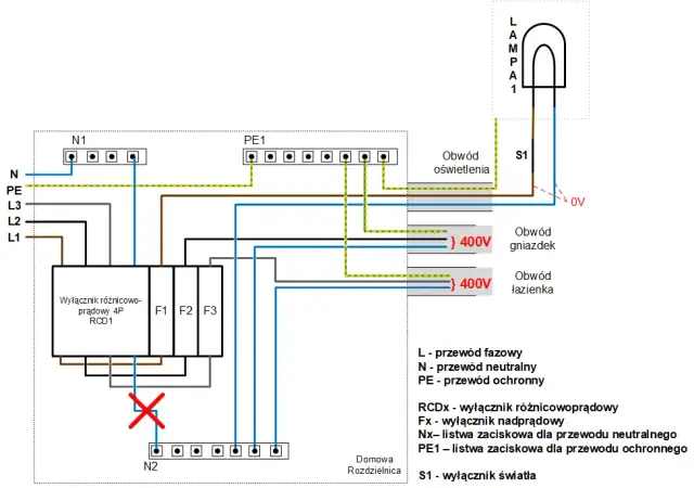
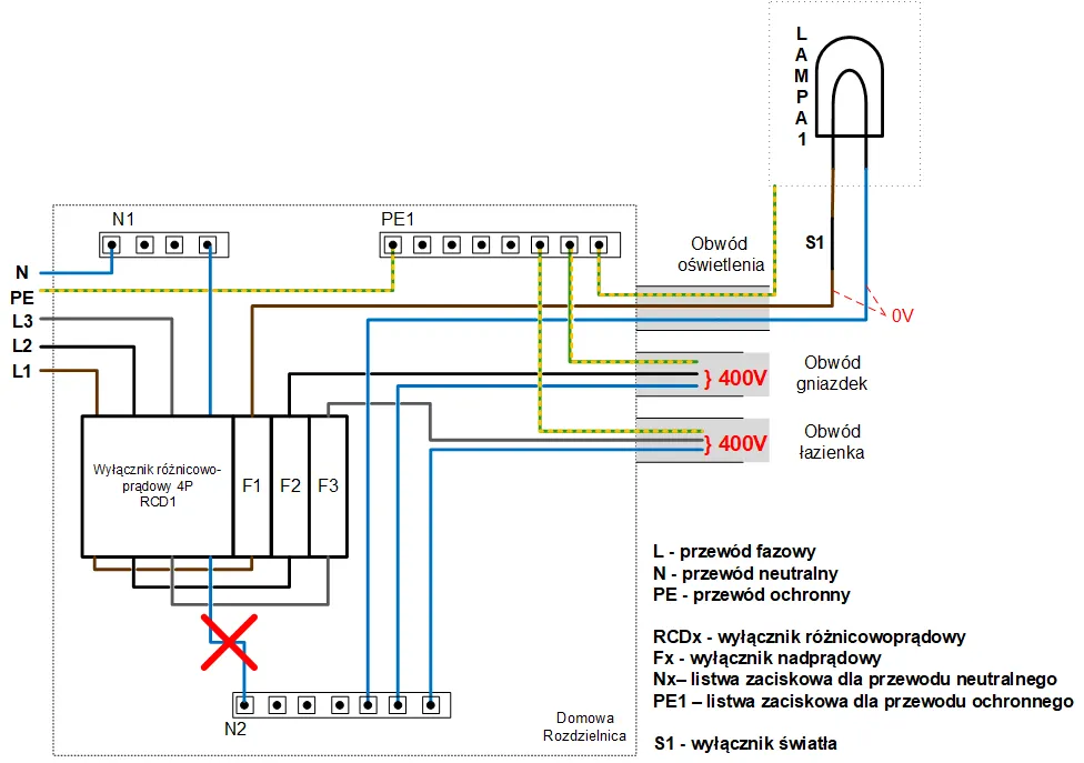
Dowiedz się, jak podłączyć różnicówkę w bloku, unikając typowych błędów i zagrożeń elektrycznych. Zapewnij bezpieczeństwo swojej instalacji!
Zastanawiasz się, czy warto wymieniać grzejniki żeliwne w bloku? Sprawdź zalety, wady oraz ukryte koszty związane z wymianą grzejników.
Wybierz idealny klimatyzator do mieszkania w bloku. Sprawdź, jakie modele przenośne i typu split oferują najlepszą wydajność i komfort.
Szukasz, gdzie trzymać rower w bloku? Sprawdź najlepsze miejsca na jego przechowanie, które zapewnią bezpieczeństwo i ochronę przed warunkami atmosferycznymi.
Zastanawiasz się, jak ogrodzić ogródek w bloku? Poznaj skuteczne sposoby na zapewnienie prywatności i estetyki w miejskiej przestrzeni!
Sprawdź, czy w bloku należy się dodatek węglowy. Dowiedz się, jakie warunki musisz spełnić, aby uzyskać wsparcie finansowe na ogrzewanie.
Dowiedz się, jak wyrównać sufit w bloku, stosując skuteczne metody. Unikaj kosztownych błędów i ciesz się idealnie gładką powierzchnią!
Rozliczenie za ogrzewanie w bloku kiedy? Dowiedz się, jakie są terminy i jak sprawdzić poprawność swojego rozliczenia, aby uniknąć nieporozumień.
Dowiedz się, jak podłączyć domofon w bloku 5 żyłowy, unikając najczęstszych błędów. Zastosuj nasze praktyczne wskazówki i ciesz się sprawnym systemem!
Zwiększ przestrzeń w swojej wąskiej kuchni w bloku! Sprawdź skuteczne rozwiązania i porady, które pomogą Ci urządzić funkcjonalne wnętrze.
Sprawdź, do której godziny można prowadzić głośny remont w bloku. Poznaj zasady, kary oraz najlepsze praktyki, aby uniknąć konfliktów z sąsiadami.
Dowiedz się, kto odpowiada za szczury w bloku oraz jak skutecznie rozwiązać ten problem, aby zapewnić bezpieczeństwo mieszkańcom.
Skutecznie odprowadź skropliny z klimatyzacji w bloku. Poznaj metody, wymagania i innowacyjne rozwiązania, które zapewnią komfort w Twoim mieszkaniu.
Zmagasz się z niskim ciśnieniem? Sprawdź, jak zwiększyć ciśnienie wody w bloku. Oto skuteczne metody, które poprawią komfort korzystania z wody.
Skuteczne metody na to, jak wytępić prusaki w bloku. Dowiedz się, jak pozbyć się tych niechcianych gości z mieszkania raz na zawsze!
Wymiana wodomierzy w bloku ile trwa? Dowiedz się, co wpływa na czas wymiany i jak się przygotować, aby uniknąć nieprzyjemnych niespodzianek.
Zastanawiasz się, gdzie trzymać rower w bloku? Sprawdź najlepsze miejsca, aby uniknąć kradzieży i uszkodzeń oraz zapewnić mu optymalne warunki.
Podłącz domofon w bloku z 6 żyłami bez błędów. Sprawdź, jak prawidłowo podłączyć przewody i uniknąć najczęstszych problemów z instalacją.
Jak oszczędzać na ogrzewaniu w bloku? Poznaj skuteczne metody, które pomogą Ci zredukować koszty ogrzewania i zwiększyć komfort w Twoim mieszkaniu.